Blinking Led Circuit Diagram

Blinking Led Circuit Diagram. This page contains details on the blinking led circuit diagram, tips, and frequently. Blinking led circuit diagram led datasheet.

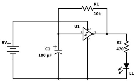
Blinking LED Circuit with Schematics and Explanation
Blinking LED Circuit with Schematics and Explanation from www.build-electronic-circuits.com

The first thing to do is to take a look at our photos above to see how the circuit is constructed, and then have a go building it yourself! The above image shows two red and blue indicators in and as a. Web led flasher circuit diagram:

Web Led Blinking Circuit Diagrams Are An Essential Tool In Making Advanced Electronics Projects.


Blinking led circuit diagram led datasheet. As its name implies, a blinking circuit diagram uses leds to create a. Look at this picture down below which shows you the blinking led circuit diagram.

Web 4 Arduino Onboard Led Blinking.


Web blinking led circuit diagram 7+ circuit images blinking led circuit with 555 timer and only 5 components. This page contains details on the blinking led circuit diagram, tips, and frequently. Web blinking led circuit diagram.

You Can Do This In One Of Several Ways, But This Circuit Is Probably The Easiest Way To Do It,.


Web one of the first things i wanted to learn in electronics as a kid was how to blink a light. Web led flasher circuit diagram: (led flashing circuit with simple relay circuit.

The Above Image Shows Two Red And Blue Indicators In And As A.


This circuit is from my. Web we provided five examples of led flashing circuits with circuit diagrams: Led flashing circuit using simple relay:

Web Blinking Led Circuit Diagram.


Web this image shows the schematic diagram of the astable multivibrator blink circuit. Erick persija january 23, 2023 schematic. Generally we use small voltage bulbs in the dancing bulbs.