Ecm Circuit Diagram Pdf

Ecm Circuit Diagram Pdf. Electrical circuits and machines lab page 27 methodist college of engineering and technology. Make the connections as per the circuit diagram, the 220v winding of the transformer is kept open 2.

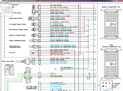
Cummins Isc Ecm Wiring Diagram
Cummins Isc Ecm Wiring Diagram from schematron.org

Mazda car pdf manual wiring diagram fault codes dtc. Circuit diagrams are available in two formats. Scribd is the world's largest social reading and publishing site.

Volkswagen Vw Golf Jetta Mk3 A3 Wiring Diagram Manual Pdf Heys S.


Need ecm pinouts third generation f body. Mazda car pdf manual wiring diagram fault codes dtc. Circuit diagrams are available in two formats.

Suzuki Canbox Wiring Diagram Hbt Key Maker Nagpur Facebook.


In the electronic file, you will find the information on how to read. Web april 27, 2023 +24 cat c9 ecm wiring diagram pdf references. Web many words to explain.

Web Ecm Circuit Diagram Mx Revision #3 :


Web presented for you the pdf paccar mx with information about the correct use, and service for circuit diagram. How to read this diagram abbreviation color rd wh or yl/ye pk bk gy pu/vt br/bn gn. Web vehicle system computers networks are now divided into two related branches, the smaller but powerful module and the larger ecm/body computers.

Wiring Diagrams Show The Connections To The Controller.


Electrical circuits and machines lab page 27 methodist college of engineering and technology. Wiring diagrams, sometimes called “main” or “construc. Ad cat® parts are designed and made to the.

Web Ecu Pinout Diagram.


Cat c15 acert wiring diagram | free wiring diagram,. Scribd is the world's largest social reading and publishing site. Web manual perkins 1106d 1104d electronic engine common rail fuel system installation pressure cooling ecm circuit diagram | pdf | pump | fuel injection (1) 638 views.