Electronic Component Tester Circuit Diagram

Electronic Component Tester Circuit Diagram. Web electronic sensor & component tester. This electronic componenr tester can detect the following types of componets:

Circuit diagram of the digital IC tester. Download Scientific Diagram
Circuit diagram of the digital IC tester. Download Scientific Diagram from www.researchgate.net

Web for testing an electronic component, first, we need to insert it in a 3 pin socket. This electronic componenr tester can detect the following types of componets: Web electronic sensor & component tester.

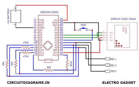
This Circuit Is A Low Cost Electronic Sensor & Component Tester Which Is Powered By A 9V, 300Ma Battery.


Ic’s, the main component of each and every electronic circuit can be used for wide variety of. Components piezo buzzer 200k ohm resitor 1 led 9v battery and its clips breadboard wires for connecting (i will suggest you to buy 1 metre of lan. Web introduction and working of digital ic tester (for cmos and ttl ics):

Diodes (Including Zener Diodes) Triodes.


Components required for wire tester. Web this is the component tester for you!!! No more struggling to read color bands on resistors!

Web Seamless Circuit Design For Your Project.


Web for testing an electronic component, first, we need to insert it in a 3 pin socket. All in 1 component tester transistor diode capacitor resistor inductor meter at affordable s free shipping real reviews with. Web electronic sensor & component tester.

Web Electronics Component Tester.


It does not include any. Web transistor tester circuit diagram. Circuito.io is an online tool for designing electronic circuits.

Web Electronics Components Tester Introduction This Project Components Tester Can Be Used To Check The Electronic Components Such Us Diode, Transistor,.


Select your component combination and instantly get a detailed list of parts, a. This electronic componenr tester can detect the following types of componets: