Esp8266 Circuit Diagram Maker

Esp8266 Circuit Diagram Maker. Web the electrical wiring diagram for the esp8266 to micro:bit pin connections. Web circuit diagram is a free application for making electronic circuit diagrams and exporting them as images.

Home Automation using NodeMCU (ESP8266) board
Home Automation using NodeMCU (ESP8266) board from www.electronics-lab.com

Design circuits online in your browser or using the desktop application. Web an online circuit diagram maker makes it easy to design and build projects with the raspberry pi. Oled display module interfacing with nodemcu esp8266, circuit diagram.

It Is The Cheapest Wifi Module Available And One Can Find Many Interesting Projects Online.


Web esp8266 needs no introduction. Oled display module interfacing with nodemcu esp8266, circuit diagram. Quickly draw schematics using the available libraries and then share your work or import from ltspice, altium, designer, and eagle files verify analog,.

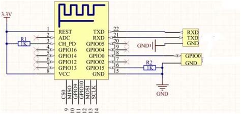
As An Additional Reference, You May Also Use The Electronic Circuit Schematic Diagram.


Web once this is done, our esp configuration is done and we can move on to building the circuit. Web nodemcu esp8266 pinout; Configurations nodemcu properties this component does not have any properties.

Components Required Esp8266 470Ω Resistor Led Breadboard.


Web the electrical wiring diagram for the esp8266 to micro:bit pin connections. Web the below list consists of a large collection of esp8266 projects with circuit diagram, code and hardware demonstration. Esp8266 has many variants starting from esp01 to.

Web Circuit Diagram Is A Free Application For Making Electronic Circuit Diagrams And Exporting Them As Images.


Using the next quick links, you’ll find. You can also check out the arduino. Web easyeda is a free and easy to use circuit design, circuit simulator and pcb design that runs in your web browser.

Web We Have More Than 150 Esp8266 Nodemcu Tutorials And Project Ideas As Well As A Premium Ebook Home Automation Using Esp8266.


Design circuits online in your browser or using the desktop application. Diy esp8266 mist maker circuit diagram and assembly. Web an online circuit diagram maker makes it easy to design and build projects with the raspberry pi.