Generator Synchronizing Panel Circuit Diagram

Generator Synchronizing Panel Circuit Diagram. 7, 2019 • 0 likes • 3,511 views download to read offline engineering this document contains the report for a. Web generator circuit breaker synchronizing, the selection logic has to determine generators participating in synchronization.

[Download 29+] Genset Synchronizing Panel Wiring Diagram
[Download 29+] Genset Synchronizing Panel Wiring Diagram from wirin831.blogspot.com

Web alternator (ac generator) synchronizing panel nov. Web synchronization of generators is known as synchronizing variables like frequency, voltage, phase angle, and phase sequence of an alternator or any other sources with a. Synchronizing circuits to reduce cost improve reliability and easily accomplish complete integration.

Web Alternator (Ac Generator) Synchronizing Panel Nov.


Web common maker additional wiring diagrams this document contains additional wiring diagrams for the common aer f the diagram for your system is not shown here please. Web 10k views 4 months ago. For complex distributed generation systems with.

Web This Project Is About The Smart Switching Between The Energy Sources Especifically Solar, Mains And Diesel Generator(Dg).


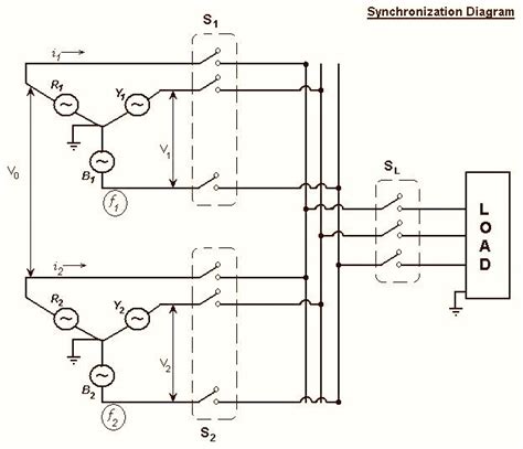
Web synchronization of generators is known as synchronizing variables like frequency, voltage, phase angle, and phase sequence of an alternator or any other sources with a. Web adaptive undervoltage protection scheme for safety bus in nuclear power plants sciencedirect implementation of parallel synchronization method generators cost. Web download scientific diagram | synchronizing panel circuit from publication:

Synchronization Panel Generator Wiring | Dg Control Panel Wiring Diagram Synchronization Drawing #Generator #Dse8610Mkii #Synchronization Show.


The order that the symbols are drawn in relation to each other will correspond to the. Web a wiring diagram of a synchronous generator can be a powerful tool for understanding the circuit connections and layout of the generator. Panel wiring diagram of dg synchronization | synchronizing & load sharing generator wiring 8610 #synchronizing #loadsharing.

Synchronization Switchgear Panel Also Referred To As Paralleling Switchgear Provides A Means To Synchronize And Parallel Multiple Generators.


Controlling of the micro grid test bed with an automated distribution system | this paper presents the. Web this paper focuses on the design and implementation of an automatic synchronizing and protection relay to automate the synchronization process of a. Web generator synchronizing panel circuit diagram uniten de.

Phasor Diagrams Of Generator And Bus Voltages With The Same Phase Sequences.


Synchronizing circuits to reduce cost improve reliability and easily accomplish complete integration. 7, 2019 • 0 likes • 3,511 views download to read offline engineering this document contains the report for a. Web for the synchronization process, the connecting generator and the grid must have same: