Graphic Equalizer Circuit Diagram

Graphic Equalizer Circuit Diagram. Obtaining real inductors of the correct values. Web building the equalizer start with rs≅470 ω.

7 Band Graphic Equalizer Circuit Diagram FerisGraphics
7 Band Graphic Equalizer Circuit Diagram FerisGraphics from ferisgraphics.blogspot.com

Web building the equalizer start with rs≅470 ω. Web here the 20 band graphic equalizer schematic diagram. Web a stereo graphic equalizer circuit diagram shows you how different electrical components are arranged and connected to operate as a single unit.

You Can Specify The Number Of Channels According To Your Needs.


Web a stereo graphic equalizer circuit diagram shows you how different electrical components are arranged and connected to operate as a single unit. The power supply used for this. Web the circuit diagram below shows a circuit of graphic equalizer 6 band of regulation.

Web This Is The Design Diagram Of 5 Band Graphic Equaliser Circuit Build Using Operational Amplifier Chips, The Ne5532 Or Lm833.


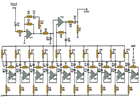
Web the 10 band graphic equalizer circuit diagram is an essential tool for many audio engineers and sound aficionados. Web here the 20 band graphic equalizer schematic diagram. Web the following diagram is the circuit diagram of 20 band stereo graphic equaliser which will controlling the audio signal in specific frequency range.

Web The First Step In Creating A Stereo Graphic Equalizer Circuit Diagram Is To Determine The Overall Volume Levels For Each Of The Frequency Bands.


You just need to parallel the components: This is stereo graphic equalizer, it should be 2×10 channel equalizer. Web with a 7 band graphic equalizer circuit diagram, you can take your audio experience to the next level, and produce incredible sounds with amazing clarity.

Graphic Equalizer Can Be Built With Stages Based Onthe Circuits Shown In Figure 4.


This is stereo graphic equalizer, it should be 2×10 channel equalizer. Obtaining real inductors of the correct values. Web building the equalizer start with rs≅470 ω.

Graphic Equalizers Device Are Popular With Both.


Graphic equalizers device are popular with both. Web here the 20 band graphic equalizer schematic diagram.