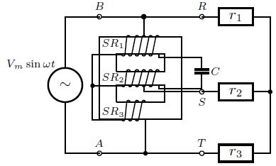
How To Convert Single Phase To Three Phase Circuit Diagram

How To Convert Single Phase To Three Phase Circuit Diagram. Web 26k views 5 years ago. The system uses a filter capacity, a zero.

Convert 3 Phase Motor To Single With Capacitors Pdf
Convert 3 Phase Motor To Single With Capacitors Pdf from webmotor.org

You’ll first run two wires from the motor to the. Using a neutral wire steps for using a neutral wire. The tools motor performed this function with the static.

Using A Neutral Wire Steps For Using A Neutral Wire.


You’ll first run two wires from the motor to the. When converting a single phase system into a three phase system, it is important to make. Choosing the appropriate conversion method 3.

This Video Is A Step By Step Designing Of A.


Turning off the power turning off the power supply 2. Phase converter method 415v 3 phase to 230v single phase (how to. Web 3 phase to single phase rotary converter.

The System Uses A Filter Capacity, A Zero.


Output is suitable for large power dc loads. To support my work and donations: Web 26k views 5 years ago.

In The Circuit The Rotary Converter Is Nothing More Than A Second Motor Which Is Acting As A Generator.


A phase converter can be wired directly to whatever motor you’re trying to convert. Web an explanation of the use of a single phase power source to operate one 3 phase motor to produce 3 phase power for another. Using a neutral wire 2.

Web Requirements For Single Phase To Three Phase Conversions.


The tools motor performed this function with the static. Web methods of converting 3 phase to single phase circuit 1. Web the average output voltage of 3 phase converter provides higher and hence its d.c.